The Fire Sprinkler is an important means of spraying compounds (clean water, water with additives, water with foaming, etc.) into the fire to control the spread and extinguish the fire. Depending on the different types of fire, the fire hydrant will be made suitable to spray the appropriate extinguishing agent.
The part that is assembled with the fire hydrant through the internal thread (mount) and the coupling of the fire hose reel. The Fire Sprinkler Mausoleum comes with a fire hose that directs water from the pillars, the water supply. Constructed from a variety of materials such as Copper, aluminum alloy, cast iron designed to suit the faucet coils D50, D65...
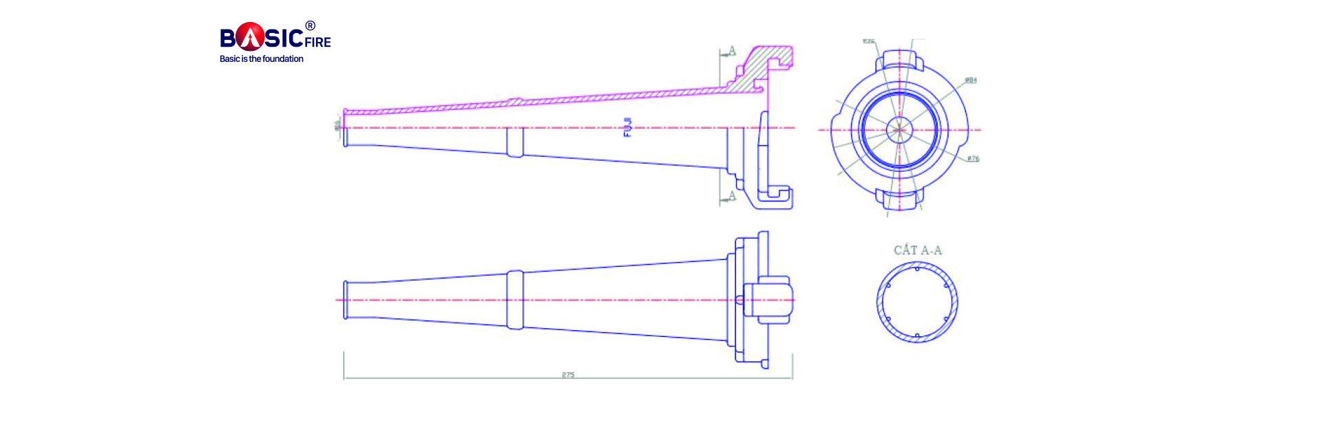
Structure of fire sprinkler : To receive a water jet with great kinetic energy, in fire fighting we use prisms or hand-held prisms with a narrow truncated cone shape.
+ The nozzle head part:
- Conical part: has a cone angle of about 8º ÷ 15º, allowing to reduce energy loss when converting head into kinetic energy.
- The cylindrical part: has a length of about 2/3 ÷3/4 of the diameter of the mouth of the mausoleum (for the prism) or the diameter of the outlet of the mouth (for the hand-held prism) in order to reduce the creation of The cross-sectional wall narrows when the flow exits the mouth of the mausoleum
+ The body of the nozzle:
- Has a cone-shaped structure that gradually shrinks towards the head, with a length of 25 ÷25 cm depending on the hand-held prism or the prism. The flow when exiting the mouth of the fire hydrant often occurs around the axis, significantly reducing the quality of the water jet to ensure a straight jet stream.
- The structure of the body of the mausoleum affects the quality of the water jet. A fully-structured fire-fighting mausoleum must be able to create a straight jet of water when exiting the mausoleum's mouth.


Tiếng Việt